Product Summary
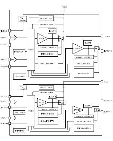
The VNQ830ME is a quad channel high side driver. It is intended for driving any type of multiple loads with one side connected to ground. Active VCC pin voltage clamp protects the VNQ830ME against low energy spikes. Active current limitation combined with thermal shutdown and automatic restart protects the device against overload. The VNQ830ME detects open load condition both in on and off state. Output shorted to VCC is detected in the off state.
Parametrics
VNQ830ME absolute maximum ratings: (1)DC Supply Voltage:41 V; (2)Reverse DC Supply Voltage:- 0.3 V; (3)DC Reverse Ground Pin Current:- 200 mA; (4)DC Output Current:Internally Limited; (5)Reverse DC Output Current:- 6 A; (6)DC Input Current:±10 mA; (7)DC Status Current:±10 mA; (8)Power dissipation (per island) at Tlead=25℃:6.25 W; (9)Junction Operating Temperature:Internally Limited; (10)Storage Temperature:- 55 to 150℃.
Features
VNQ830ME features: (1)CMOS compatible inputs; (2)open drain status outputs; (3)on state open load detection; (4)off state open load detection; (5)shorted load protection; (6)undervoltage and overvoltage shutdown; (7)loss of ground protection; (8)very low stand-by current; (9)reverse battery protection.
Diagrams

![]() |
![]() VNQ810 |
![]() STMicroelectronics |
![]() Power Driver ICs Quad Channel Hi-Side |
![]() Data Sheet |
![]()
|
|
||||||||||||
![]() |
![]() VNQ81013TR |
![]() STMicroelectronics |
![]() Power Driver ICs Quad Channel Hi-Side |
![]() Data Sheet |
![]()
|
|
||||||||||||
![]() |
![]() VNQ810-E |
![]() STMicroelectronics |
![]() Power Driver ICs Quad Channel Hi-Side |
![]() Data Sheet |
![]() Negotiable |
|
||||||||||||
![]() |
![]() VNQ810M |
![]() STMicroelectronics |
![]() Power Driver ICs Quad Channel Hi-Side |
![]() Data Sheet |
![]()
|
|
||||||||||||
![]() |
![]() VNQ810M13TR |
![]() STMicroelectronics |
![]() Power Driver ICs Quad Channel Hi-Side |
![]() Data Sheet |
![]()
|
|
||||||||||||
![]() |
![]() VNQ810M-E |
![]() STMicroelectronics |
![]() Power Driver ICs Quad Channel Hi-Side |
![]() Data Sheet |
![]()
|
|
||||||||||||
(Hong Kong)








