Product Summary
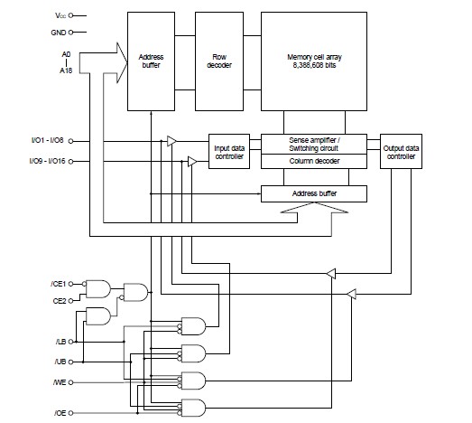
The UPD448012GYB70XMJHA is a high speed, low power, 8,388,608 bits (524,288 words by 16 bits) CMOS static RAM. The device has two chip enable pins (/CE1, CE2) to extend the capacity. The UPD448012GYB70XMJHA is packed in 48-pin PLASTIC TSOP.
Parametrics
UPD448012GYB70XMJHA absolute maximum ratings: (1)Supply voltage, VCC: –0.5 to +4.0 V; (2)Input / Output voltage, VT: –0.5 to VCC + 0.4 (4.0 V MAX.) V; (3)Operating ambient temperature, TA: –25 to +85℃; (4)Storage temperature, Tstg: –55 to +125℃.
Features
UPD448012GYB70XMJHA features: (1)524,288 words by 16 bits organization; (2)Fast access time: 55, 70, 85, 100, 120 ns (MAX.); (3)Byte data control: /LB (I/O1 - I/O8), /UB (I/O9 - I/O16); (4)Low voltage operation: (B version: VCC = 2.7 to 3.6 V, C version: VCC = 2.2 to 3.6 V); (5)Low VCC data retention : 1.0 V (MIN.); (6)Operating ambient temperature: TA =-25 to +85℃; (7)Output Enable input for easy application; (8)Two Chip Enable inputs: /CE1, CE2.
Diagrams

![]() |
![]() UPD42S16800L |
![]() Other |
![]() |
![]() Data Sheet |
![]() Negotiable |
|
||||
![]() |
![]() UPD431000A-X |
![]() Other |
![]() |
![]() Data Sheet |
![]() Negotiable |
|
||||
![]() |
![]() UPD4364CX-10 |
![]() Other |
![]() |
![]() Data Sheet |
![]() Negotiable |
|
||||
![]() |
![]() UPD441000L-X |
![]() Other |
![]() |
![]() Data Sheet |
![]() Negotiable |
|
||||
![]() |
![]() UPD4416001 |
![]() Other |
![]() |
![]() Data Sheet |
![]() Negotiable |
|
||||
![]() |
![]() UPD4416004 |
![]() Other |
![]() |
![]() Data Sheet |
![]() Negotiable |
|
||||
(Hong Kong)








