Product Summary
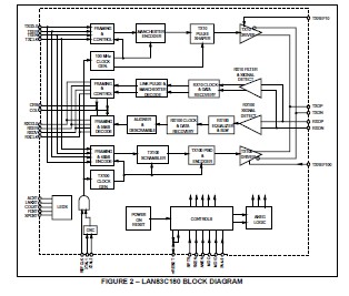
The LAN83C180 is a 10/100 Fast Ethernet PHY Transceiver. It provides all necessary functions between the Media Independent Interface (MII) and the magnetics connected to Category 5 twisted pair media. The LAN83C180 is designed for 10BASE-T and 100BASE-TX Ethernet, and is based on the IEEE 802.3 specifications. The device is compatible with the Auto Negotiation section of IEEE 802.3u and provides all the support needed for the IEEE 802.3x Full Duplex specification. The LAN83C180 can operate in adapter mode or repeater/switch modes.
Parametrics
LAN83C180 absolute maximum ratings: (1)Operating Temperature Range: 0℃ to +70℃; (2)Storage Temperature Range: -40℃ to +125℃; (3)Lead Temperature Range (soldering, 10 seconds): +TBD℃; (4)Positive Voltage on any pin, with respect to Ground : VDD + 0.5V; (5)Negative Voltage on any pin, with respect to Ground: -0.5V; (6)Maximum VDD: +7.0V.
Features
LAN83C180 features: (1)Single Chip 100Base-TX/10Base-T Ethernet Physical Layer (PHY) Solution; (2)Dual Speed – 10/100 Mbps; (3)Full MII Interface for a Glueless MAC Connection; (4)MI Interface for Configuration and Status; (5)Half Duplex and Full Duplex in Both 10BASE-T and 100BASE-TX; (6)Repeater Mode; (7)Extended Register Set; (8)Integrated 10BASE-T Transceivers and Receive/Transmit Filters; (9)Integrated Adaptive Equalizer and Base Line Wander Correction; (10)Full Auto Negotiation Support for 10BASE-T and 100BASE-TX Both Half and Full Duplex; (11)Parallel Detection for Supporting Non Auto Negotiation Legacy in Link Partners.
Diagrams

| Image | Part No | Mfg | Description | ![]() |
Pricing (USD) |
Quantity | ||||||
|---|---|---|---|---|---|---|---|---|---|---|---|---|
![]() |
![]() LAN83C180 |
![]() Other |
![]() |
![]() Data Sheet |
![]() Negotiable |
|
||||||
| Image | Part No | Mfg | Description | ![]() |
Pricing (USD) |
Quantity | ||||||
![]() |
![]() LAN8187I-JT |
![]() SMSC |
![]() Ethernet ICs HiPerfrm Ethrnt PHY |
![]() Data Sheet |
![]()
|
|
||||||
![]() |
![]() LAN8187-JT |
![]() SMSC |
![]() Ethernet ICs HiPerfrm Ethrnt PHY |
![]() Data Sheet |
![]()
|
|
||||||
![]() |
![]() LAN83C171 |
![]() Other |
![]() |
![]() Data Sheet |
![]() Negotiable |
|
||||||
![]() |
![]() LAN83C180 |
![]() Other |
![]() |
![]() Data Sheet |
![]() Negotiable |
|
||||||
![]() |
![]() LAN83C183 |
![]() Other |
![]() |
![]() Data Sheet |
![]() Negotiable |
|
||||||
![]() |
![]() LAN83C185 |
![]() Other |
![]() |
![]() Data Sheet |
![]() Negotiable |
|
||||||
(Hong Kong)










