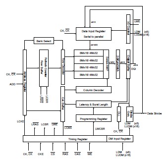
Product Summary
The K4H511638DUCLB3 is a 536,870,912 bits of double data rate synchronous DRAM organized as 4x33,554,432 / 4x 16,777,216 / 4x 8,388,608 words by 4/8/16bits, fabricated with SAMSUNG’s high performance CMOS technology. The K4H511638DUCLB3 features with Data Strobe allow extremely high performance up to 400Mb/s per pin. I/O transactions are possible on both edges of DQS. Range of operating frequencies, programmable burst length and programmable latencies allow the K4H511638DUCLB3 to be useful for a variety of high performance memory system applications.
Parametrics
K4H511638DUCLB3 absolute maximum ratings:(1)Voltage on any pin relative to VSS, VIN, VOUT: -0.5 ~ 3.6 V; (2)Voltage on VDD & VDDQ supply relative to VSS, VDD, VDDQ: -1.0 ~ 3.6 V; (3)Storage temperature, TSTG: -55 ~ +150 ℃; (4)Power dissipation PD: 1.5 W; (5)Short circuit current, IOS: 50 mA.
Features
K4H511638DUCLB3 features: (1)VDD: 2.5V ± 0.2V, VDDQ: 2.5V ± 0.2V for DDR266, 333; (2)VDD : 2.6V ± 0.1V, VDDQ : 2.6V ± 0.1V for DDR400; (3)Double-data-rate architecture; two data transfers per clock cycle; (4)Bidirectional data strobe [DQS] (x4,x8) & [L(U)DQS] (x16); (5)Four banks operation; (6)Differential clock inputs(CK and CK); (7)DLL aligns DQ and DQS transition with CK transition; (8)MRS cycle with address key programs: Read latency : DDR266(2, 2.5 Clock), DDR333(2.5 Clock), DDR400(3 Clock); Burst length (2, 4, 8); Burst type (sequential & interleave); (9)All inputs except data & DM are sampled at the positive going edge of the system clock(CK); (10)Data I/O transactions on both edges of data strobe; (11)Edge aligned data output, center aligned data input; (12)LDM,UDM for write masking only (x16); (13)DM for write masking only (x4, x8); (14)Auto & Self refresh; (15)7.8us refresh interval(8K/64ms refresh); (16)Maximum burst refresh cycle : 8; (17)66pin TSOP II Pb-Free package; (18)RoHS compliant.
Diagrams

![]() |
![]() K4H510438B-G(Z)C/LA2 |
![]() Other |
![]() |
![]() Data Sheet |
![]() Negotiable |
|
||||
![]() |
![]() K4H510438B-G(Z)C/LB0 |
![]() Other |
![]() |
![]() Data Sheet |
![]() Negotiable |
|
||||
![]() |
![]() K4H510438B-G(Z)C/LB3 |
![]() Other |
![]() |
![]() Data Sheet |
![]() Negotiable |
|
||||
![]() |
![]() K4H510438B-G(Z)C/LCC |
![]() Other |
![]() |
![]() Data Sheet |
![]() Negotiable |
|
||||
![]() |
![]() K4H510438C-UCA2 |
![]() Other |
![]() |
![]() Data Sheet |
![]() Negotiable |
|
||||
![]() |
![]() K4H510638E-LA2 |
![]() Other |
![]() |
![]() Data Sheet |
![]() Negotiable |
|
||||
(Hong Kong)








