Product Summary
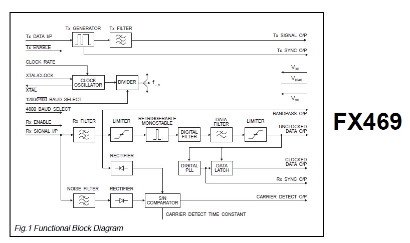
The FX469J is a single-chip CMOS LSI circuit which operates as a full-duplex pin-selectable 1200, 2400 or 4800 baud FFSK Modem. The mark and space frequencies are 1200/1800, 1200/2400 and 2400/4800 Hz respectively. Tone frequencies are phase continuous; transitions occur at the zero crossing point. Employing a common Xtal oscillator with a choice of two clock frequencies (1.008MHz or 4.032MHz) to provide baud-rate, transmit frequencies, and Rx and Tx synchronization, the transmitter and receiver operate entirely independently including individual section powersave functions. The FX469J includes on chip circuitry for Carrier Detect and Rx Clock recovery, both of which are made available as output pins.
Parametrics
FX469J absolute maximum ratings: (1)Supply voltage: -0.3 to 7.0V; (2)Input voltage at any pin (ref VSS = 0V): -0.3 to (VDD + 0.3V); (3)Sink/source current: (supply pins): +/- 30mA; (other pins): +/- 20mA; (4)Total device dissipation @ TAMB 25℃: 800mW Max; Derating: 10mW/℃; (5)Operating temperature range: -30℃ to +85℃ (cerdip); (6)Storage temperature range: -55℃ to +125℃ (cerdip).
Features
FX469J features: (1)Selectable Data Rates: 1200, 2400 and 4800 Baud; (2)Full-Duplex FFSK; (3)Rx and Tx Bandpass Filters; (4)Clock Recovery and Carrier Detect Facilities; (5)Rx and Tx Enable Functions; (6)Pin Selected Xtal/Clock Inputs 1.008MHz or 4.032MHz; (7)Radio and General Applications: Data-Over-Radio; PMR and Cellular Signalling; Portable Data Terminals; Personal/Cordless Telephone.
Diagrams

![]() |
![]() FX469DW |
![]() Other |
![]() |
![]() Data Sheet |
![]() Negotiable |
|
||||
![]() |
![]() FX469 |
![]() Other |
![]() |
![]() Data Sheet |
![]() Negotiable |
|
||||
![]() |
![]() FX465 |
![]() Other |
![]() |
![]() Data Sheet |
![]() Negotiable |
|
||||
(Hong Kong)








