Product Summary
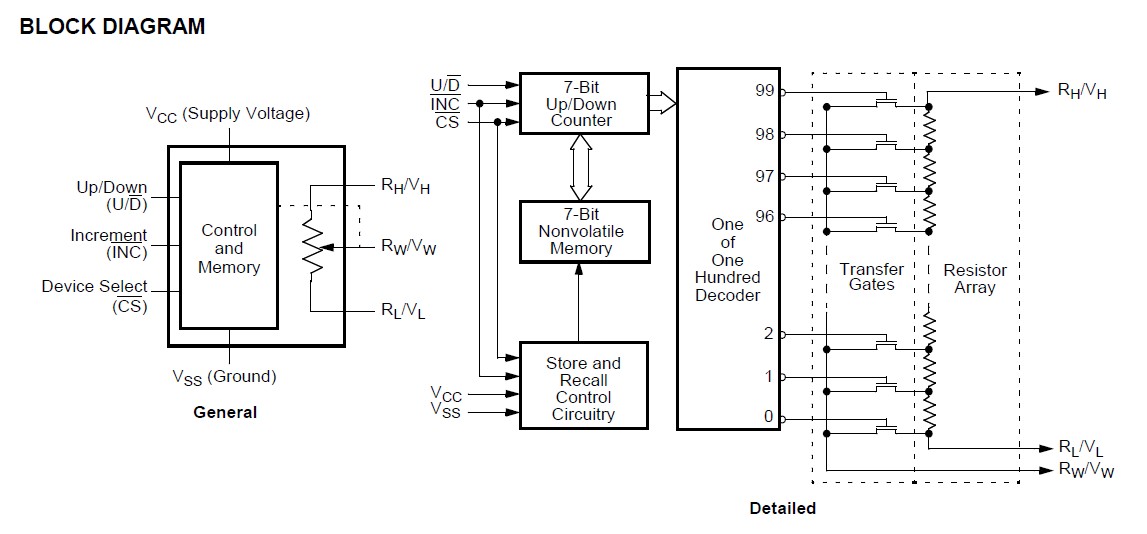
The X9312WPI is a digitally controlled potentiometer (XDCP). The device consists of a resistor array, wiper switches, a control section, and nonvolatile memory. The wiper position is controlled by a 3-wire interface. The X9312WPI can be used as a three-terminal potentiometer or as a two-terminal variable resistor in a wide variety of applications including: control, parameter adjustments and signal processing.
Parametrics
X9312WPI absolute maximum ratings: (1)Temperature under bias: -65℃ to +135℃; (2)Storage temperature: -65℃ to +150℃; (3)Voltage on CS, INC, U/D and VCC with respect to VSS: -1V to +7V; (4)ΔV = |VH - VL|: 15V; (5)Lead temperature (soldering 10 seconds): 300℃; (6)IW (10 seconds): ±8.8mA.
Features
X9312WPI features: (1)Solid-state potentiometer; (2)3-wire serial interface; (3)Terminal voltage, 0 to +15V; (4)100 wiper tap points: Wiper position stored in nonvolatile memory and recalled on power-up; (5)99 resistive elements: Temperature compensated; End to end resistance range 20%; (6)Low power CMOS: VCC = 5V; Active current, 3mA max; Standby current, 1mA max; (7)High reliability: Endurance, 100,000 data changes per bit; Register data retention, 100 years; (8)RTOTAL values = 10kΩ 50kΩ and 100kΩ; (9)Packages: 8-lead SOIC and DIP.
Diagrams

![]()  | 
                            ![]() X9311  | 
                            ![]() Other  | 
                            ![]()  | 
                            ![]() Data Sheet  | 
                            ![]() Negotiable  | 
                            
                            	 | 
                      ||||
![]()  | 
                            ![]() X9312  | 
                            ![]() Other  | 
                            ![]()  | 
                            ![]() Data Sheet  | 
                            ![]() Negotiable  | 
                            
                            	 | 
                      ||||
![]()  | 
                            ![]() X9313  | 
                            ![]() Other  | 
                            ![]()  | 
                            ![]() Data Sheet  | 
                            ![]() Negotiable  | 
                            
                            	 | 
                      ||||
![]()  | 
                            ![]() X9313TS  | 
                            ![]()  | 
                            ![]() IC DIGITAL POT 100K 32TP 8SOIC  | 
                            ![]() Data Sheet  | 
                            ![]() Negotiable  | 
                            
                            	 | 
                      ||||
![]()  | 
                            ![]() X9313UM  | 
                            ![]()  | 
                            ![]() IC XDCP 32-TAP 50K 3-WIRE 8-MSOP  | 
                            ![]() Data Sheet  | 
                            ![]() Negotiable  | 
                            
                            	 | 
                      ||||
![]()  | 
                            ![]() X9313UM-3  | 
                            ![]()  | 
                            ![]() IC XDCP 32-TAP 50K 3-WIRE 8-MSOP  | 
                            ![]() Data Sheet  | 
                            ![]() Negotiable  | 
                            
                            	 | 
                      ||||
 (Hong Kong) 
                         
                        
                                    







