Product Summary
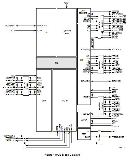
The MC68332GCFC25, a highly-integrated 32-bit microcontroller, combines high-performance data manipulation capabilities with powerful peripheral subsystems. The MC68332GCFC25 is built up from standard modules that interface through a common intermodule bus(IMB). Standardization facilitates rapid development of devices tailored for specific applications. The MC68332GCFC25 incorporates a 32-bit CPU (CPU32), a system integration module (SIM), a time processor unit(TPU), a queued serial module (QSM), and a 2-Kbyte static RAM module with TPU emulation capability(TPURAM).
Parametrics
MC68332GCFC25 general specifications: (1)RAM Size:2K x 8; (2)Number of I /O:15; (3)Package / Case:132-BQFP Bumpered; (4)Speed:16MHz; (5)Oscillator Type:Internal; (6)Packaging:Tray; (7)Program Memory Type:ROMless; (8)Core Processor:CPU32; (9)Core Size:32-Bit; (10)Operating Temperature:-40℃ to 85℃; (11)Connectivity:EBI/EMI, SCI, SPI, UART/USART; (12)Peripherals:POR, PWM, WDT; (13)Voltage - Supply (Vcc/Vdd):4.5 V to 5.5 V; (14)Lead Free Status:Contains Lead; (15)RoHS Status:RoHS Non-Compliant.
Features
MC68332GCFC25 features: (1)32-Bit Architecture; (2)Virtual Memory Implementation; (3)Table Lookup and Interpolate Instruction; (4)Improved Exception Handling for Controller Applications; (5)High-Level Language Support; (6)Background Debugging Mode; (7)Fully Static Operation ; (8)External Bus Support; (9)Programmable Chip-Select Outputs; (10)System Protection Logic; (11)Watchdog Timer, Clock Monitor, and Bus Monitor; (12)Two 8-Bit Dual Function Input/Output Ports; (13)One 7-Bit Dual Function Output Port; (14)Phase-Locked Loop (PLL) Clock System; (15)Dedicated Microengine Operating Independently of CPU32; (16)16 Independent, Programmable Channels and Pins; (17)Any Channel can Perform any Time Function; (18)Two Timer Count Registers with Programmable Prescalers; (19)Selectable Channel Priority Levels.
Diagrams

![]() |
![]() MC6800 |
![]() Other |
![]() |
![]() Data Sheet |
![]() Negotiable |
|
||||
![]() |
![]() MC6801 |
![]() Other |
![]() |
![]() Data Sheet |
![]() Negotiable |
|
||||
![]() |
![]() MC68020 |
![]() Other |
![]() |
![]() Data Sheet |
![]() Negotiable |
|
||||
![]() |
![]() MC68020CEH16E |
![]() Freescale Semiconductor |
![]() Microprocessors (MPU) 32-BIT MPU |
![]() Data Sheet |
![]() Negotiable |
|
||||
![]() |
![]() MC68020CEH25E |
![]() Freescale Semiconductor |
![]() Microprocessors (MPU) 32-BIT MPU |
![]() Data Sheet |
![]() Negotiable |
|
||||
![]() |
![]() MC68020CRC16E |
![]() Freescale Semiconductor |
![]() Microprocessors (MPU) 32-BIT MPU |
![]() Data Sheet |
![]() Negotiable |
|
||||
(Hong Kong)









