Product Summary
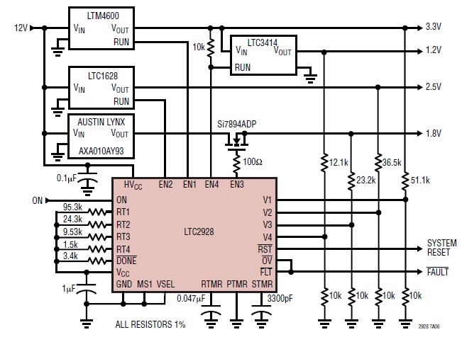
The LTC2928CGPBF is a four channel cascadable power supply sequencer and high accuracy supervisor. Sequencing thresholds, order and timing are configured with just a few external components, negating the need for PC board layout or software changes during system development. The LTC2928CGPBF may be easily connected to sequence an unlimited number of power supplies. The applications of the LTC2928CGPBF include: Network/Telecom Infrastructure, Sequencing for Multiple I/O and Core Voltages, Power Management.
Parametrics
LTC2928CGPBF absolute maximum ratings: (1)Supply Voltages HVCC: –0.3V to 18V, VCC: –0.3V to 6.5V; (2)Input Voltages V1, V2, V3, V4: –0.3V to 12V; (3)Output Voltages EN1, EN2, EN3, EN4: –0.3V to 12V, CMP1, CMP2, CMP3, CMP4: –0.3V to 6.5V; (4)RMS Currents IVCC: ±10mA, IHVCC: ±20mA, IREF: ±10mA; (5)Operating Ambient Temperature Range: 0℃ to 70℃; (6)Storage Temperature Range SSOP Package: –65℃ to 150℃, QFN Package: –65℃ to 150℃; (7)Lead Temperature (Soldering, 10 sec) SSOP Package: 300℃.
Features
LTC2928CGPBF features: (1)Easily Configure Power Management without Software; (2)Controls Up to Four Supplies per Device; (3)Cascades for Additional Supplies; (4)Staged Supply Sequencing with Adjustable Time Positions; (5)Fault Event Reporting with Diagnostics; (6)Selectable System Shutdown on Fault; (7)1.5% Undervoltage Monitor Accuracy; (8)Overvoltage and/or Fault Indication; (9)Configurable Undervoltage and Overvoltage Thresholds; (10)Charge Pumped Enable Pins Drive N-Channel MOSFETs; (11)Operates from 2.9V to 16.5V; (12)5mm × 7mm 38-lead QFN and 36-lead SSOP Packages.
Diagrams

![]() |
![]() LTC201A |
![]() Other |
![]() |
![]() Data Sheet |
![]() Negotiable |
|
||||||||||
![]() |
![]() LTC201ACN |
![]() |
![]() IC SWITCH QUAD SPST 16DIP |
![]() Data Sheet |
![]()
|
|
||||||||||
![]() |
![]() LTC201ACN#PBF |
![]() |
![]() IC SWITCH QUAD SPST 16DIP |
![]() Data Sheet |
![]()
|
|
||||||||||
![]() |
![]() LTC201ACS |
![]() |
![]() IC SWITCH QUAD SPST 16SOIC |
![]() Data Sheet |
![]()
|
|
||||||||||
![]() |
![]() LTC201ACS#PBF |
![]() |
![]() IC SWITCH QUAD SPST 16SOIC |
![]() Data Sheet |
![]()
|
|
||||||||||
![]() |
![]() LTC201ACS#TR |
![]() |
![]() IC SWITCH QUAD SPST 16SOIC |
![]() Data Sheet |
![]()
|
|
||||||||||
(Hong Kong)










