Product Summary
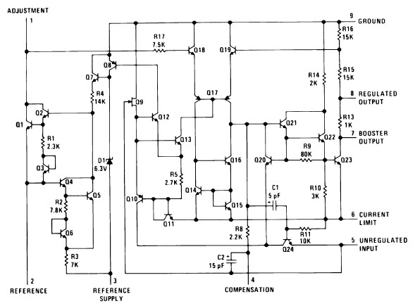
The LM104H is a precision voltage regulator which can be programmed by a single external resistor to supply any voltage from 40V down to zero while operating from a single unregulated supply. The LM104H can also provide 0.01-percent regulation in circuits using a separate, floating bias supply, where the output voltage is limited only by the breakdown of external pass transistors. Although designed primarily as linear, series regulators, the LM104H can be used as switching regulators, current regulators or in a number of other control applications.
Parametrics
LM104H absolute maximum ratings: (1)Input Voltage: 50V; (2)Input-Output Voltage Differential: 50V; (3)Power Dissipation: 500 mW; (4)Operating Temperature Range: -55℃ to 125℃; (5)Storage Temperature Range: -65℃ to 150℃; (6)Lead Temperature (Soldering, 10 sec.): 260℃ for plastic.
Features
LM104H features: (1)Subsurface zener reference; (2)1 mV regulation no load to full load; (3)0.01%/V line regulation; (4)0.2 mV/V ripple rejection; (5)0.3% temperature stability over military temperature range.
Diagrams

![]() |
![]() LM10 |
![]() Other |
![]() |
![]() Data Sheet |
![]() Negotiable |
|
||||||||||||||||
![]() |
![]() LM10000SD/NOPB |
![]() |
![]() IC EVS SYSTEM CTRLR 14LLP |
![]() Data Sheet |
![]()
|
|
||||||||||||||||
![]() |
![]() LM10010EVM |
![]() National Semiconductor (TI) |
![]() Power Management IC Development Tools |
![]() Data Sheet |
![]() Negotiable |
|
||||||||||||||||
![]() |
![]() LM10010EVM/NOPB |
![]() National Semiconductor (TI) |
![]() Power Management IC Development Tools LM10010 EVAL BOARD |
![]() Data Sheet |
![]() Negotiable |
|
||||||||||||||||
![]() |
![]() LM10010SD/NOPB |
![]() National Semiconductor (TI) |
![]() Other Power Management |
![]() Data Sheet |
![]()
|
|
||||||||||||||||
![]() |
![]() LM10010SDX/NOPB |
![]() National Semiconductor (TI) |
![]() Other Power Management |
![]() Data Sheet |
![]()
|
|
||||||||||||||||
(Hong Kong)









