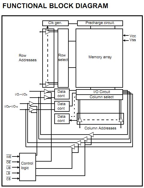
Product Summary
The K6X4016C3FUF55 is a 256Kx16 bit Low Power full CMOS Static RAM. The K6X4016C3F-UF55 is fabricated by SAMSUNG’s advanced full CMOS process technology. The K6X4016C3FUF55 supports various operating temperature range and small package types for user flexibility of system design. The K6X4016C3FUF55 also supports low data retention voltage for battery back-up operation with low data retention current.
Parametrics
K6X4016C3FUF55 absolute maximum ratings: (1)Voltage on any pin relative to Vss, VIN,VOUT: -0.5 to VCC+0.5V(max. 7.0V) V; (2)Voltage on Vcc supply relative to Vss, VCC: -0.3 to 7.0 V; (3)Power Dissipation, PD: 1.0 W; (4)Storage temperature, TSTG: -65 to 150℃; (5)Operating Temperature, TA: 0 to 70℃.
Features
K6X4016C3FUF55 features: (1)Process Technology: Full CMOS; (2)Organization: 256Kx16; (3)Power Supply Voltage: 4.5 to 5.5V ; (4)Low Data Retention Voltage: 2V(Min); (5)Three state output and TTL compatible; (6)Package Type: 44-TSOP2-400F.
Diagrams

![]() |
![]() K6X4008 |
![]() Other |
![]() |
![]() Data Sheet |
![]() Negotiable |
|
||||
![]() |
![]() K6X4008C1F-B |
![]() Other |
![]() |
![]() Data Sheet |
![]() Negotiable |
|
||||
![]() |
![]() K6X4008C1F-BF55 |
![]() Other |
![]() |
![]() Data Sheet |
![]() Negotiable |
|
||||
![]() |
![]() K6X4008C1F-F |
![]() Other |
![]() |
![]() Data Sheet |
![]() Negotiable |
|
||||
![]() |
![]() K6X4008C1F-Q |
![]() Other |
![]() |
![]() Data Sheet |
![]() Negotiable |
|
||||
![]() |
![]() K6X4008C1F-UF55 (ROHS) |
![]() Other |
![]() |
![]() Data Sheet |
![]() Negotiable |
|
||||
(Hong Kong)








