Product Summary
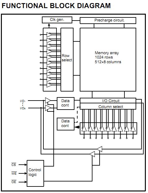
The K6T4008C1CGP70 is a 512Kx8 bit Low Power CMOS Static RAM. The device is fabricated by advanced CMOS process technology. The K6T4008C1CGP70 supports various operating temperature ranges and various package types for user flexibility of system design. The K6T4008C1CGP70 also supports low data retention voltage for battery back-up operation with low data retention current.
Parametrics
K6T4008C1CGP70 absolute maximum ratings: (1)Voltage on any pin relative to Vss, VIN,VOUT: -0.5 to 7.0V; (2)Voltage on Vcc supply relative to Vss, VCC: -0.5 to 7.0V; (3)Power Dissipation, PD: 1.0W; (4)Storage temperature, TSTG: -65 to 150℃; (5)Operating Temperature, TA: 0 to 70℃.
Features
K6T4008C1CGP70 features: (1)Process Technology: TFT; (2)Organization: 512Kx8; (3)Power Supply Voltage: 4.5~5.5V ; (4)Low Data Retention Voltage: 2V(Min); (5)Three state output and TTL Compatible; (6)Package Type: 32-DIP-600, 32-SOP-525,32-TSOP2-400F/R.
Diagrams

![]() |
![]() K6T4008C1B |
![]() Other |
![]() |
![]() Data Sheet |
![]() Negotiable |
|
||||
![]() |
![]() K6T4008U1C-B |
![]() Other |
![]() |
![]() Data Sheet |
![]() Negotiable |
|
||||
![]() |
![]() K6T4008U1C-F |
![]() Other |
![]() |
![]() Data Sheet |
![]() Negotiable |
|
||||
![]() |
![]() K6T4008V1C-B |
![]() Other |
![]() |
![]() Data Sheet |
![]() Negotiable |
|
||||
![]() |
![]() K6T4008V1C-F |
![]() Other |
![]() |
![]() Data Sheet |
![]() Negotiable |
|
||||
![]() |
![]() K6T4016U3C |
![]() Other |
![]() |
![]() Data Sheet |
![]() Negotiable |
|
||||
(Hong Kong)








