Product Summary
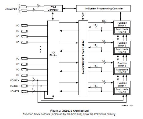
The XC957210PCG84C is a high-performance CPLD providing advanced in-system programming and test capabilities for general purpose logic integration. The XC957210PCG84C is comprised of eight 36V18 Function Blocks, providing 1,600 usable gates with propagation delays of 7.5 ns.
Parametrics
XC957210PCG84C absolute maximum ratings: (1)VCC, Supply voltage relative to GND: –0.5 to 7.0 V; (2)VIN, Input voltage relative to GND: –0.5 to VCC + 0.5 V; (3)VTS, Voltage applied to 3-state output: –0.5 to VCC + 0.5 V; (4)TSTG, Storage temperature (ambient): –65 to +150℃; (5)TJ, Junction temperature: +150℃.
Features
XC957210PCG84C features: (1)7.5 ns pin-to-pin logic delays on all pins; (2)fCNT to 125 MHz; (3)72 macrocells with 1,600 usable gates; (4)Up to 72 user I/O pins; (5)5V in-system programmable; (6)Endurance of 10,000 program/erase cycles; (7)Program/erase over full commercial voltage and temperature range; (8)Enhanced pin-locking architecture; (9)Flexible 36V18 Function Block; (10)90 product terms drive any or all of 18 macrocells within Function Block; (11)Global and product term clocks, output enables, set and reset signals; (12)Extensive IEEE Std 1149.1 boundary-scan (JTAG) support; (13)Programmable power reduction mode in each macrocell; (14)Slew rate control on individual outputs; (15)User programmable ground pin capability; (16)Extended pattern security features for design protection; (17)High-drive 24 mA outputs; (18)3.3V or 5V I/O capability; (19)Advanced CMOS 5V FastFLASH technology; (20)Supports parallel programming of more than one XC9500 concurrently; (21)Available in 44-pin PLCC, 84-pin PLCC, 100-pin PQFP, and 100-pin TQFP packages.
Diagrams

![]() |
![]() XC9500 |
![]() Other |
![]() |
![]() Data Sheet |
![]() Negotiable |
|
||||||||||||||||
![]() |
![]() XC9500XV |
![]() Other |
![]() |
![]() Data Sheet |
![]() Negotiable |
|
||||||||||||||||
![]() |
![]() XC9501 |
![]() Other |
![]() |
![]() Data Sheet |
![]() Negotiable |
|
||||||||||||||||
![]() |
![]() XC9502 |
![]() Other |
![]() |
![]() Data Sheet |
![]() Negotiable |
|
||||||||||||||||
![]() |
![]() XC9503 |
![]() Other |
![]() |
![]() Data Sheet |
![]() Negotiable |
|
||||||||||||||||
![]() |
![]() XC9503B093AR-G |
![]() |
![]() IC REG BUCK ADJ 1A DL 10MSOP |
![]() Data Sheet |
![]()
|
|
||||||||||||||||
(Hong Kong)









