Product Summary
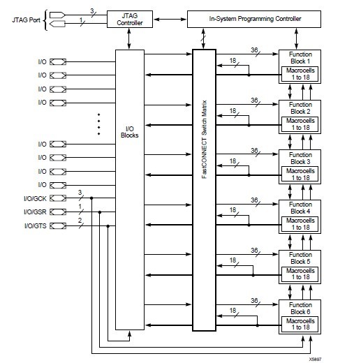
The XC9510815PQ100C is a high-performance CPLD providing advanced in-system programming and test capabilities for general purpose logic integration. It is comprised of six 36V18 Function Blocks, providing 2,400 usable gates with propagation delays of 7.5 ns.
Parametrics
XC9510815PQ100C absolute maximum ratings: (1)VCC Supply voltage relative to GND: -0.5 to 7.0 V; (2)VIN DC input voltage relative to GND: -0.5 to VCC + 0.5 V; (3)VTS Voltage applied to 3-state output with respect to GND: -0.5 to VCC + 0.5 V; (4)TSTG Storage temperature: -65 to +150 ℃; (5)TSOL Max soldering temperature (10 s @ 1/16 in = 1.5 mm): +260 ℃.
Features
XC9510815PQ100C features: (1)7.5 ns pin-to-pin logic delays on all pins; (2)fCNT to 125 MHz; (3)108 macrocells with 2400 XC95108-15PQ100C usable gates; (4)Up to 108 user I/O pins; (5)5 V in-system programmable (ISP): Endurance of 10,000 program/erase cycles; Program/erase over full commercial voltage and temperature range; (6)Enhanced pin-locking architecture; (7)Flexible 36V18 Function Block: 90 product terms drive any or all of 18 macrocells within Function Block; global and product term clocks, output enables, set and reset signals; (8)Extensive IEEE Std 1149.1 boundary-scan (JTAG) support; (9)Programmable power reduction mode in each macrocell; (10)Slew rate control on individual outputs; (11)User programmable ground pin capability; (12)Extended pattern security features for design protection; (13)High-drive 24 mA outputs; (14)3.3 V or 5 V I/O capability; (15)Advanced CMOS 5V FastFLASH technology; (16)Supports parallel programming of more than one XC9500 concurrently; (17)Available in 84-pin PLCC, 100-pin PQFP, 100-pin TQFP and 160-pin PQFP packages.
Diagrams

![]() |
![]() XC9500 |
![]() Other |
![]() |
![]() Data Sheet |
![]() Negotiable |
|
||||||||||||||||
![]() |
![]() XC9500XV |
![]() Other |
![]() |
![]() Data Sheet |
![]() Negotiable |
|
||||||||||||||||
![]() |
![]() XC9501 |
![]() Other |
![]() |
![]() Data Sheet |
![]() Negotiable |
|
||||||||||||||||
![]() |
![]() XC9502 |
![]() Other |
![]() |
![]() Data Sheet |
![]() Negotiable |
|
||||||||||||||||
![]() |
![]() XC9503 |
![]() Other |
![]() |
![]() Data Sheet |
![]() Negotiable |
|
||||||||||||||||
![]() |
![]() XC9503B093AR-G |
![]() |
![]() IC REG BUCK ADJ 1A DL 10MSOP |
![]() Data Sheet |
![]()
|
|
||||||||||||||||
(Hong Kong)









