Product Summary
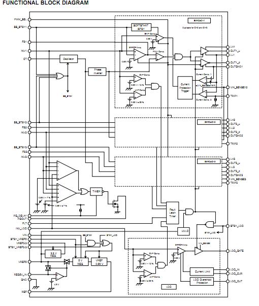
The TPS5130PTRG4 is a triple synchronous buck controller with nmos ldo controller. The TPS5130PTRG4 is composed of three independent synchronous buck regulator controllers (SBRC) and one low drop-out (LDO) regulator controller. On-chip high-side and low-side synchronous rectifier drivers are integrated to drive less expensive N-channel MOSFETs. The LDO controller can also drive an external N-channel MOSFET. Since the input current ripple is minimized by operating 180 degree out of phase, the TPS5130PTRG4 allows a smaller input capacitance resulting in reduced power supply cost. The applications of the TPS5130PTRG4 include Notebook PCs, PDAs, Consumer Game Systems and DSP Application.
Parametrics
TPS5130PTRG4 absolute maximum ratings: (1)Supply voltage, VIN: –0.3 V to 30 V; (2)Input voltage range, VI: -0.3 V to 7 V; (3)Output voltage range, VO: –0.3 V to 9 V; (4)Operating ambient temperature range, TA: –40 to 85℃; (5)Storage temperature, Tstg: –55 to 150℃.
Features
TPS5130PTRG4 features: (1)Three Independent Step-Down DC/DC Controllers and One LDO Controller; (2)Input Voltage Range, Switcher: 4.5 V ~ 28 V; LDO: 1.1 V ~ 3.6 V; (3)Output Voltage Range, Switcher: 0.9 V ~ 5.5 V; LDO: 0.9 V ~ 2.5 V; (4)Synchronous for High Efficiency; (5)Precision Vref (±1.5%); (6)PWM Mode Control : Max. 500 kHz Operation; (7)Auto PWM/SKIP Mode Available; (8)High Speed Error Amplifier; (9)Over Current Protection With Temperature Compensation Circuit for Each Channel; (10)Overvoltage and Undervoltage Protection; (11)Programmable Short-Circuit Protection; (12)Powergood With Programmable Delay Time; (13)5-V and 3.3-V Linear Regulators.
Diagrams

| Image | Part No | Mfg | Description | ![]() |
Pricing (USD) |
Quantity | ||||||||||||
|---|---|---|---|---|---|---|---|---|---|---|---|---|---|---|---|---|---|---|
![]() |
![]() TPS5130PTRG4 |
![]() Texas Instruments |
![]() DC/DC Switching Controllers Triple Sync Buck w/LDO Controller |
![]() Data Sheet |
![]()
|
|
||||||||||||
| Image | Part No | Mfg | Description | ![]() |
Pricing (USD) |
Quantity | ||||||||||||
![]() |
![]() TPS5100 |
![]() Other |
![]() |
![]() Data Sheet |
![]() Negotiable |
|
||||||||||||
![]() |
![]() TPS5100IPW |
![]() Texas Instruments |
![]() DC/DC Switching Controllers Lo Inpt Vltg Triple Ch Cntrllr |
![]() Data Sheet |
![]()
|
|
||||||||||||
![]() |
![]() TPS5100IPWR |
![]() Texas Instruments |
![]() DC/DC Switching Controllers Lo Input Vltg Triple Ch Cntrlr |
![]() Data Sheet |
![]()
|
|
||||||||||||
![]() |
![]() TPS5100IPWRG4 |
![]() Texas Instruments |
![]() DC/DC Switching Controllers Lo Input Vltg Triple Ch Cntrlr |
![]() Data Sheet |
![]()
|
|
||||||||||||
![]() |
![]() TPS5102 |
![]() Other |
![]() |
![]() Data Sheet |
![]() Negotiable |
|
||||||||||||
![]() |
![]() TPS51020 |
![]() Other |
![]() |
![]() Data Sheet |
![]() Negotiable |
|
||||||||||||
(Hong Kong)










