Product Summary
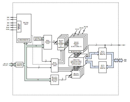
The MT48LC32M16A2TG75 is a high-speed CMOS, dynamic random-access memory containing 536,870,912 bits. The MT48LC32M16A2TG75 is internally configured as a quad-bank DRAM with a synchronous interface (all signals are registered on the positive edge of the clock signal, CLK). The MT48LC32M16A2TG75 provides for programmable READ or WRITE burst lengths of 1, 2, 4, or 8 locations, or the full page, with a burst terminate option. An auto precharge function may be enabled to provide a self-timed row precharge that is initiated at the end of the burst sequence.
Parametrics
MT48LC32M16A2TG75 absolute maximum ratings: (1)Voltage on VDD, VDDQ Supply Relative to VSS:-1V to +4.6V; (2)Voltage on Inputs, NC or I/O Pins Relative to VSS:-1V to +4.6V; (3)Operating Temperature:0℃ to +70℃; (4)Storage Temperature (plastic):-55℃ to +150℃; (5)Power Dissipation:1W.
Features
MT48LC32M16A2TG75 features: (1)PC100- and PC133-compliant; (2)Fully synchronous; all signals registered on positive edge of system clock; (3)Internal pipelined operation; column address can be changed every clock cycle; (4)Internal banks for hiding row access/precharge; (5)Programmable burst lengths: 1, 2, 4, 8, or full page; (6)Auto Precharge, includes concurrent auto precharge, and Auto Refresh Modes; (7)Self Refresh Mode; (8)64ms, 8,192-cycle refresh; (9)LVTTL-compatible inputs and outputs; (10)Single +3.3V ±0.3V power supply.
Diagrams

![]()  | 
                            ![]() MT48FN  | 
                            ![]() Switchcraft  | 
                            ![]() Patch Panels PATCHBAY  | 
                            ![]() Data Sheet  | 
                            ![]() Negotiable  | 
                            
                            	 | 
                      ||||||||||
![]()  | 
                            ![]() MT48FNX  | 
                            ![]() Switchcraft  | 
                            ![]() Patch Panels PATCHBAY  | 
                            ![]() Data Sheet  | 
                            ![]() 
  | 
                            
                            	 | 
                      ||||||||||
![]()  | 
                            ![]() MT48H16M16LF  | 
                            ![]() Other  | 
                            ![]()  | 
                            ![]() Data Sheet  | 
                            ![]() Negotiable  | 
                            
                            	 | 
                      ||||||||||
![]()  | 
                            ![]() MT48H16M16LFBF-6 IT:H  | 
                            ![]()  | 
                            ![]() IC SDRAM 256MBIT 167MHZ 54VFBGA  | 
                            ![]() Data Sheet  | 
                            ![]() 
  | 
                            
                            	 | 
                      ||||||||||
![]()  | 
                            ![]() MT48H16M16LFBF-6:H  | 
                            ![]()  | 
                            ![]() IC SDRAM 256MBIT 167MHZ 54VFBGA  | 
                            ![]() Data Sheet  | 
                            ![]() 
  | 
                            
                            	 | 
                      ||||||||||
![]()  | 
                            ![]() MT48H16M16LFBF-75 AT:G TR  | 
                            ![]()  | 
                            ![]() IC SDRAM 256MBIT 132MHZ 54VFBGA  | 
                            ![]() Data Sheet  | 
                            ![]() Negotiable  | 
                            
                            	 | 
                      ||||||||||
 (Hong Kong) 
                         
                        
                                    








