Product Summary
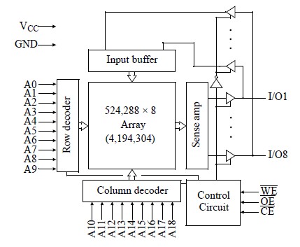
The AS7C409615JI is a high-performance CMOS 4,194,304-bit Static Random Access Memory (SRAM) device organized as 524,288 words × 8 bits. The AS7C409615JI is designed for memory applications where fast data access, low power, and simple interfacing are desired. Equal address access and cycle times (tAA, tRC, tWC) of 10/12/15/20 ns of the AS7C409615JI with output enable access times (tOE) of 5/6/7/8 ns are ideal for high-performance applications. The chip enable input CE permits easy memory expansion with multiple-bank memory systems.
Parametrics
AS7C409615JI absolute maximum ratings: (1)Voltage on VCC relative to GND Vt1: –1 to +7.0 V; (2)Voltage on any pin relative to GND Vt2: –0.5 to VCC +0.5 V; (3)Power dissipation PD: 1.0 W; (4)Storage temperature Tstg: –65 to +150 ℃; (5)Temperature with VCC applied Tbias: –55 to +125 ℃; (6)DC current unto output (low) IOUT: 20 mA.
Features
AS7C409615JI features: (1)AS7C4096 (5V version); (2)Industrial and commercial temperature; (3)Organization: 524,288 words × 8 bits; (4)Center power and ground pins; (5)High speed; (6)Low power consumption: ACTIVE 1375 mW / max @ 12 ns; (7)Low power consumption: STANDBY 110 mW / max CMOS; (8)Equal access and cycle times; (9)Easy memory expansion with CE, OE inputs; (10)TTL-compatible, three-state I/O; (11)JEDEC standard packages; (12)ESD protection ≥ 2000 volts; (13)Latch-up current ≥ 100 mA.
Diagrams

![]() |
![]() AS7C1024 |
![]() Other |
![]() |
![]() Data Sheet |
![]() Negotiable |
|
||||||||||||
![]() |
![]() AS7C1024A-20STC |
![]() Other |
![]() |
![]() Data Sheet |
![]() Negotiable |
|
||||||||||||
![]() |
![]() AS7C1024B-12JCN |
![]() Alliance Memory |
![]() SRAM 1M Fast 128K x 8 5V Asynch |
![]() Data Sheet |
![]()
|
|
||||||||||||
![]() |
![]() AS7C1024B-12JCNTR |
![]() Alliance Memory |
![]() SRAM 1M Fast 128K x 8 5V Asynch |
![]() Data Sheet |
![]()
|
|
||||||||||||
![]() |
![]() AS7C1024B-12JIN |
![]() Alliance Memory |
![]() SRAM 1M Fast 128K x 8 5V Asynch |
![]() Data Sheet |
![]()
|
|
||||||||||||
![]() |
![]() AS7C1024B-12JINTR |
![]() Alliance Memory |
![]() SRAM 1M Fast 128K x 8 5V Asynch |
![]() Data Sheet |
![]()
|
|
||||||||||||
(Hong Kong)









